|
MASTHEAD COAX CABLE
POWER FEED UNIT
Masthead equipment coaxial cable 12v power
feed unit.
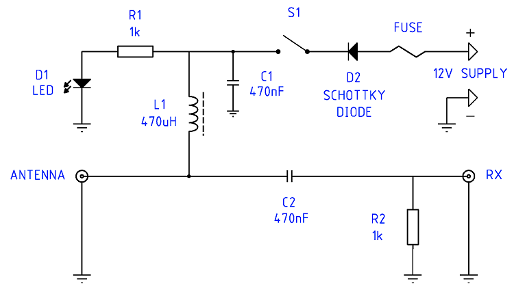
The masthead equipment coaxial cable 12v power
feed unit is to provide an approximately 12 volt supply for equipment
at the top of the mast via the connecting coax cable.
The circuit injects a DC voltage into station end
of the coax cable and allowing the RF to pass un-attenuated to the
receiver while blocking the DC to the receiver. The circuit also
blocks RF from passing into the DC supply system.

Fig
1 Masthead coax cable
power feed unit schematic.
|
ID
|
DESCRIPTION
|
QTY
|
|
C1
& 2
|
CAPACITOR,
CERAMIC - 470n, 50V
|
2
|
|
D1
|
LED
|
1
|
|
D2
|
DIODE,
SCHOTTKY, 1N5822, 3A 40V
|
1
|
|
FUSE
|
TO SUIT
LOAD. TYPICALLY 100mA ~ 500mA, 3AG, GLASS, FAST OPERATION
|
1
|
|
L1
|
INDUCTOR,
470uH
|
1
|
|
R1
& 2
|
RESISTOR
- CARBON 1k,
0.25W
|
2
|
|
S1
|
SWITCH
|
2
|
Fig
2 Component detail
list.
|

|

|
|
Photo 1
The masthead equipment coaxial cable 12v power
feed unit viewed from the front.
|
Photo 2 The masthead equipment coaxial cable 12v power
feed unit viewed from the rear.
|
The
effect on mast end voltage from the electrical load of the equipment
at the masthead end
of the coax has been calculated in the below graphs for coax cable
lengths from 5m to 30m at a variety of loads. Loads of up to 500mA for
reasonable lengths of RG58 coax will deliver a sufficient supply
voltage.

Fig
3 The
chart shows the voltage at the masthead end of lengths of RG58 coax
against various loads.

Fig
4 The
chart shows the voltage at the masthead end of lengths of RG213 coax
against various loads.
Details
of the compact active wide-band receiving
antenna powered by masthead power
feed unit. See: ACTIVE ANTENNA V1
TOP
OF PAGE
Page
last revised 11 August, 2025
|