Navigation

     Contact Details

     Peter Miles
     Northam, Western Australia
     QRZ Page: VK6YSF

 

     Email

     

 

       Social Media

             

 

    Buy me a coffee

If you found information on this site interesting, beneficial, or learned something new, please consider buying me a cup of coffee by clicking the coffee cup below. It helps keep the website going and is greatly appreciated.

 

 

 

KEEPING RADIO ALIVE

Article of a personal journey of radio repair and restoration.  


 

Published in the WANSAC (Western & Northern Suburbs Amateur Radio Club) monthly club magazine  Vol ? Issue August 2025

http://www.wansarc.org.au/

 

Keeping the Radios Alive: A Personal Journey of Repair and Restoration

By Peter Miles – VK6YSF

 

Like many radio amateurs, I’ve had a wide variety of radios pass through the shack over the years—most acquired opportunistically, often because the price was right. My journey with radio equipment began back in 1980 with a C42 military transceiver, a big, clunky beast that covered roughly 35 to 60 MHz and produced a massive 10 watts of RF. It wasn’t exactly built for amateur radio use, in fact it only really could communicate with other C42 radios due to the extreme FM deviation, but it served nicely as in introduction to the 6-meter band and was a lot of fun as there were a lot of these radios dumped into the market at the time, so there were plenty on contacts to be had. This radio was also my introduction to the technical side of the hobby: adapting what you had to do what you wanted.

C42 transceiver and inverter power supply.

Over time, I ended up with a fleet of radios that, curiously enough, were all built between the early 1980s and mid-1990s. Again, this was less about deliberate choice and more about opportunity. But in hindsight, there was something fortuitous about it. Radios from that era struck a sweet spot between performance and maintainability.

Moving West

In 2007, I moved from Victoria to Northam in rural Western Australia for work. This move also saw a shift in my radio activity. With a bit more space and time, I got more active on the air again. I’d collected a nice range of radios by then - ones I genuinely enjoyed operating. To me, these weren’t boat anchors; they were just the radios I used: a Yaesu FT-736R for VHF/UHF, a Kenwood TS-430S, and a TS-930S for HF.

Then disaster struck. One by one, every radio failed - each with its own unique and serious issue. Within a short window of time, my entire station was silent. My first thought was to get them repaired. Surely, someone in the state could help. But that search turned up empty. The few repair techs I could locate were on the east coast or even overseas. Shipping heavy radios across the country or internationally just wasn’t practical, especially on a hobbyist’s budget.

The idea of abandoning the hobby altogether crossed my mind.

Choosing to Fix What I Couldn’t Break Further

After some soul-searching, I reminded myself why I’d gravitated toward these particular radios in the first place - they could be fixed. And really, I had nothing to lose. The radios were already non-functional. I couldn't break them worse.

So I committed to repairing them myself. Not with blind optimism, but with a methodical mindset. That became my mantra: don’t grab the soldering iron until you fully understand the fault.

My Repair Process

I began by studying block diagrams, isolating faults by functional area. Where is the signal chain failing? What’s working and what isn’t? I applied divide-and-conquer logic, studied schematics in detail, read what I could find online, measuring and testing. And when I had doubt - I backed up a step.

In almost every case, the key lesson was this: the hard part is identifying the fault, not fixing it. I’d estimate 90% of the work is in diagnosis, and only 10% is the actual repair.

Repair Highlights

Yaesu FT-736R

The FT-736R VHF/UHF transceiver developed a start-up fault that manifested as a momentary flicker of the frequency display and other instrumentation backlighting, or a failure to start altogether. Upon pressing the power button multiple times, the radio would eventually start up and operate normally. This fault appeared to be identical to a common power supply issue that had been identified for this particular radio. Convinced that this was indeed the problem, I planned to carry out the recommended power supply repair, which involved replacing the power supply electrolytic capacitors and re-soldering any heat-stressed connections on the power supply PCB.

During one instance of powering the radio up, it started normally without any flickering of the instrumentation lights. However, there was no audio output, not even a click, when powered up or when the mute function was opened. The fault that had affected the receiver/audio had also caused the power supply to trip off until the fault finally cleared itself through destructive means. The audio board was suspected to be the faulty section, and using a sniffer audio amplifier, I sampled the audio signal into the AF board and detected good, clean audio when opening the mute. The fault has now been isolated to the AF board. Subsequently, the AF board was replaced with a new one, and the radio is now fully operational.

The faulty AF board has been repaired and kept as a spare. Further investigation revealed that the R30 resistor (1 ohm 0.25 watt) had open circuited, likely due to a failure of either the C20 electrolytic capacitor (2200uF) or the Q06 amplifier chip, which caused excessive current flow through the resistor.

Although the C20 electrolytic capacitor seemed fine based on capacitance measurement and leakage test, it was still replaced due to its age and the possibility that it could have been the source of the problem.
The R30 resistor (1 ohm 0.25 watt) is apparently a known issue with this radio and can fail on its own, likely due to being under-rated for its location in the circuit. The R30 resistor was replaced with a 1.0-watt resistor. The power supply tripping indicated that there were other factors at play, possibly related to the C20 electrolytic capacitor.

In the end, the radio is now operating normally, and a good spare Audio board is available.

What I learnt; despite having successfully completing the repair, I had over reacted and got into solution mode without fully understanding the fault and had made a relatively small repair into a larger more expensive repair.

 

Kenwood TS-430S

The TS-430S is an iconic HF transceiver from the mid-1980s. Despite having had several owners, this particular radio is in moderately good condition, with all knobs and markings intact.

However, in recent times, the radio has developed various issues in both receive and transmit functions, rendering it completely useless. These are common problems not only with this model but also with many similar models from the same era. The radio exhibits slow start-up and stabilization, along with an unstable tone in the receive audio. The receiver's sensitivity has significantly decreased across most of the band pass filter groups. Additionally, the transmitter experiences intermittent power level variations, and the VFO is unstable.
 
List of issues requiring attention

The radio is slow to start up and stabilise.

There is an unstable tone present in the audio.

Receiver has low too very low sensitivity on most of the band pass filter groups.

The transmitter has intermittent power output.

The S meter is very unresponsive in most receive modes except FM.

The VFO is often unstable.

The S meter back light failure.

Superficial paint damage.

 

Measure Receiver Sensitivity and Maintenance of the Filter Unit Board Repair

The receive issues were tackled first, and the first step involved measuring the current MDS (Minimum Discernible Signal) level on all bands to establish a benchmark for any improvements. Receiver sensitivity figures are typically expected to be better than -120 dBm, while MDS levels of -60 dBm indicate extremely poor performance, effectively rendering the receiver deaf.

The TS-430S Filter Unit board switches various bandpass filters using relays, and the MDS results obtained clearly indicate that the tested frequency groups correspond to the various bandpass filter ranges. This provides strong evidence that oxidized relay contacts are the likely major cause of the poor receiver performance.

 

Receiver Sensitivity Repairs

The Filter Unit (X51-1290-00) was removed from the radio for detailed inspection, and the contacts of relays RL1 to RL15 were cleaned by wiping them with a small sliver of gloss paper soaked in contact cleaner. Gloss paper was used to avoid being too abrasive on the silver-plated contacts, and the choice of gloss paper ensured that no paper fibres would be left behind to disrupt ideal electrical contact.
 
All plugs and sockets on the Control Unit (X53-1290-000), IF Unit (X48-1370-00), Control Unit (X53-1290-00), RF Unit (X44-1510-11), and FM Unit (X48-1340-01) were unplugged, cleaned with contact cleaner, and re-plugged. This process was repeated several times to ensure good electrical contact. Additionally, the RL1 relay on the RF Unit (X44-1510-11) was cleaned, similar to the Filter Unit relays.
 
The results of eliminating all the poor electrical contacts within the radio were significant: the radio regained full receive sensitivity, and the power and signal strength meter started providing meaningful readings again. Furthermore, the transmitter regained stability.

 

https://vk6ysf.com/ts-430s_maintenace_image05.jpg

Filter Unit (X51-1290-00) board layout

 

https://vk6ysf.com/ts-430s_maintenace_image02.jpg

 Filter Unit (X51-1290-00) relay section schematic 

 

Unstable tone present in the audio during start up.

The receiver experiences a strong, unstable, and highly irritating tone during start-up, which gradually diminishes over a period of 5 to 10 minutes but never completely disappears. During this time, the tone registers around S10 on the signal strength meter, and the receiver's sensitivity is significantly compromised.
 
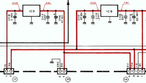
Upon conducting the initial inspection of the radio, it was observed that the IC9 5-volt regulator chip on the IF Unit (X48-1370-00) was excessively hot to the touch. The IC9 regulator is responsible for supplying power to the frequency Display (X54-1630-00) board. By touching the area surrounding the IC9 regulator and the wiring connected to the Display board, it was found that the annoying tone would change in both amplitude and frequency.

 

Repair

All the electrolytic capacitors on the Display (X54-1630-00) board have been replaced, but there has been minimal improvement in the tone. However, the tone now completely disappears after the 5 to 10 minute period, whereas previously there would often be a small residual tone remaining. The replacement of the electrolytic capacitors is generally beneficial, as they can be potential failure points in older radios.

 

 

https://vk6ysf.com/ts-430s_maintenace_image03.jpg

Display (X54-1630-00) schematic 

 

The electrolytic capacitors C118 and C119 on the IF Unit (X48-1370-00) board have been replaced and the IC9 AN7805 5 volt regulator has also been replaced with a LM7805CT.

 

 

https://vk6ysf.com/ts-430s_maintenace_image04.jpg  

IF Unit (X48-1370-00) 5 and 8 volt regulator section schematic 

 

The replacement of the above-mentioned electrolytic capacitors has resulted in the complete disappearance of the unstable tone during start-up, and the radio now starts up perfectly without any signs of instability. Surprisingly, the instability with the VFO has also completely disappeared.

 

Replacement of the TS-430S meter backlight with new bright LED

 

https://vk6ysf.com/ts-430s_maintenace_image07.jpg

TS-430S backlit display

 

The incandescent meter backlight had failed and required replacement. While a simple like-for-like replacement was possible, a much superior solution was available with bright LED (Light Emitting Diodes) lamps. LEDs have many superior characteristics compared to traditional incandescent lamps, particularly in terms of reliability. However, they may not always be an ideal solution. One key performance difference is that LEDs radiate light forward in a narrow beam of between 10 and 20 degrees, unlike the more omnidirectional pattern of most incandescent globes. Therefore, if the backlight relies on a more omnidirectional light, the replacement process is not as straightforward as simply replacing the existing incandescent globes with newer LED lights.
 
Fortunately, the TS-430 radio is well suited for LED backlighting for the meter. The 5mm LED is a good physical fit, and the tight angle of the LED is well suited to the display light guide. The TS-430 radio's dial light is powered by a 13.8V DC supply. It was found that using 1.2k ohm 0.25 Watt resistors in series with the 5mm White, 45000mcd LED provided good results and a lower running current. The 1.2k ohm current limiting resistor should provide a very reliable, long life for the LED. 

The 5mm LED snugly fits into the existing rubber grommet and can be slightly adjusted for optimal effect.

https://vk6ysf.com/ts-430s_maintenace_image08.jpg

The 5mm LED fitted in the exiting rubber grommet and mounting bracket.

 

https://vk6ysf.com/ts-430s_maintenace_image09.jpg

Fully Repaired and Restored Kenwood TS-430S

 

What I learnt; this repair or restoration was a high watermark as while there were a number of misdiagnosis I remained open minded and kept my options open. No further damage was made and no excessive repair solution carried out.

The radio looks fantastic and has been working well since and is still main radio that is operated regularly. 

Only a second cleaning of the relay contacts was carried out about 5 years later.

 

Kenwood TS-700SP

Symptom: Complete and total loss of receiver sensitivity.
 
Repair: The identified fault was oxidation of the DX switching relay contacts, which are located on the RX NB Unit. After applying a small amount of contact cleaner to the relay contacts using a strip of glossy paper, the radio receiver regained full sensitivity, including the on-board low-noise pre-amplifier that hadn’t worked for years.

  

https://vk6ysf.com/ts-700SP_maintenace_image01.jpg

DX switching relay contacts cleaned with a strip of gloss paper and contact cleaner. 

What I learnt; fearing the worst, probing and measurements and a bit of tapping narrowed the fault down to relay contacts. Again showing that faults are often ridiculously simple.

 

Kenwood TS-450S

Symptom: Complete and total loss of audio.

The radio was purchased after a quick power-up test, which produced a healthy loud white noise and all displays lit up. However, when the radio was powered up at home, there was no audio. Although all displays appeared to be working well and the S meter showed full deflection to an obvious signal.

 

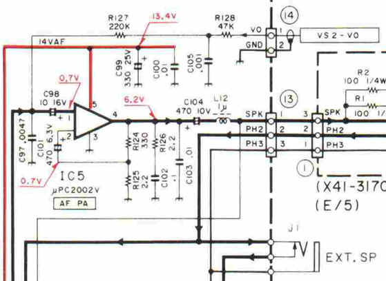
While using a sniffer amplifier to probe the input pin 1 at IC5 (uPC2002v audio amplifier chip) it was noticed that there was goo around the base of electrolytic capacitor C104.    

  https://vk6ysf.com/TS-450S_audio_repair_image01.jpg

 

C104, a 470uF electrolytic capacitor, had catastrophically failed, causing the electrolyte material to blow out from the bottom of the capacitor and onto the PCB (Printed Circuit Board). The damaged C104 capacitor was replaced, and the electrolyte material was thoroughly cleaned from the board. The electrolyte had reacted with the green PCB mask, resulting in complete deterioration of the mask under the capacitor and leaving the exposed copper after cleaning. 

 

https://vk6ysf.com/TS-450S_audio_repair_image02.jpg

 

There is a reasonable concern that the electrolyte material would have ultimately corroded the copper PCB tracks. 

 

After replacing C104 and thoroughly cleaning the electrolyte material, related electrolytic capacitors C99 and C101 were also replaced as a matter of opportunistic preventive maintenance while the board was out. 

 

The radio was powered up and worked perfectly.

What I learnt; keeping eyes open, a fault can sometimes be identified very quickly.

 

Outcomes and Reflections

Repairing these radios wasn’t easy, but the satisfaction was immense. Not only did I restore valuable gear, I gained what is known as experience that’s proving useful in other areas too. I’ve now begun working on construction projects that involve surface-mount components - assembled under a microscope - something I never would’ve attempted a few years ago.

I’ve learned that many faults that seem complicated are just poor connections: oxidized relays, dirty plugs, and aging capacitors. With methodical analysis and a willingness to learn, almost anything can be fixed.

In the end, these experiences gave me much more than working radios. They gave me confidence, skill, and a deeper appreciation for the art of repair. I no longer see a broken radio as a burden - I see it as an opportunity. And like so many challenges in amateur radio, what starts as frustration can end in reward if you stick with it.

 

Peter VK6YSF

 

This article was based on a talk that I did at Perth Tech in 2024

 

Reference of details of the repairs discussed.

FT-736R - F2887103A audio board fault location and repair.

FT-736R - AF Board Repair 

 

Kenwood TS-430S Repair and Restoration.

TS-430S Repair 

 

Kenwood TS-700SP receiver repair.

TS-700SP Repair 

 

Kenwood TS-450S audio repair.

TS-450S Audio Repair

 

 

 

TOP OF PAGE

Page initiated 04 August, 2025

Page last revised 05 November, 2025

 

 

   Space Weather

   https://www.swpc.noaa.gov/

    

   Notice Board

VK6YSF JS8Call and Olivia 8/250 operations.

Current activity is generally focused - though not restricted to - JS8Call operations on the 20m, 30m, and 40m bands.

Currently there is a particular emphasis on JS8Call on the 10 and 12 m band between 00:00 and 12:00 Z, often extending beyond this period.

Olivia 8/250 is used occasionally on the 20m band.

Proposed band and mode activity is often communicated on HamSpots: https://hamspots.net/js8/ or my profile on 

X: https://x.com/vk6ysf97230 .  

Feel free to contact me to discuss or arrange a schedule for a contact.

Post date: 7 December 2025

 

Western Australian SSTV net 

Popular Western Australian SSTV net for both digital and anolog SSTV.

Generally found at 7214.0kHz LSB every afternoon from 08:00 UTC (4:00pm WST)

For more details: https://www.wasstv.net/wasstv.net/index.html

Post date: 8 December 2025

 

VK6MJM LF (136kHz) and MF (474kHz) Beacon

VK6MJM is a  LF/MF station located in Manjimup, Western Australia.

Common Mode: FST4W 300 (Similar to WSPR)  

Note: other modes and sub-modes may be used.

Station details were presented by Peter Hall (VK6HP) at PerthTech 2024.Presentation PDF: Peter Hall VK6HP at PerthTech

QRZ Page: VK6MJM on QRZ.com

Post date: 10 March 2025

 

 

 

 

 

 

 

 

 

 

 

 

 

 

 

 

 

 

 

 

 

 

 

 

 

 

 

All content may be used for unlimited distribution with full credits.

Amateur Radio Station VK6YSF - Promoting amateur radio communication and experimentation.