|
1:4 CURRENT BALUN FOR HF AND LOW VHF
1:4 Current
Balun for the upper HF bands from about 10MHz to the 6m band at 50 -
54MHz.
10 December 2025.
Requiring
a balun to feed a balanced antenna
from an un-balanced tuner
or directly from a radio for the upper HF to low VHF bands, a 1:4 Guanella Current
balun design using two FT140-61
ferrite toroid cores was selected.
An impedance transformation
balun may be required due the variations in impedances often encounter with
multi-band balanced antenna system.
The
Guanella Current
balun is a low loss, broadband balun that will ideally choke off common mode
currents entering the radio room and importantly provide a
transition from the un-balanced output of the tuner to the
balanced antenna.
Construction
The 1:4 current balun is derived from two 1:1 current baluns with each consisting of a close double bifilar winding of 3.5 turns wound evenly spaced around
the FT140-61 Ferrite Toroid Cores. The wire is PTFE (Polytetrafluoroethylene) silver plated copper wire, of 1.0mm diameter (AWG 18), and white for this project.

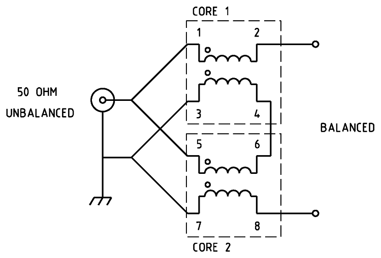
Figure
1 Schematic
of the 1:4 Guanella Current balun
.

Figure
2 Wiring
of the 1:4 Guanella Current balun.
|
Type
|
Impedance
transformation
|
|
Ratio
|
1:4
|
|
Frequency
Range
|
8.0
~ 60MHz
|
|
Core
Used
|
FT140-61
Ferrite Toroid Core x 2
|
|
Number
of turns
|
Core 1 =
4.5
turns x 2, Core 2 = 4.5 turns x 2. PTFE silver plated copper wire, 1.0mm, AWG 18, White. |
|
SWR
|
1.2:1
or less. Ref: Photo
2
|

Photo
1 1:4
balun assembled.
1:4
balun testing

Photo
2
Shows the Nano VNA antenna analyser plot viewing a 200ohm resistive load through the
1:4 balun. Note the 200ohm resistor appears as 50ohms due to the 1:4 balun ratio
transformation resulting in an ideal SWR of 1:1. This plot shows an SWR ranging from
1.0 MHz to 60MHz with a 1.1:1 or better SWR from 10MHz to 60MHz.
While
the core choosing is not ideal it has tested as sufficiently
efficient impedance transformation at the intended power levels of
100w or less.
For
Summary of suitable ferrite cores and core types for a frequency range of 100 kHz to 50 MHz for power levels of 50W, 100W, and 500W continuous and SSB. It assumes good thermal management and proper balun design.
See: Power
- Ferrite Core Design
TOP
OF PAGE
Page initiated 10
January, 2025
Page
last revised
09 December, 2025
|