Navigation

     Contact Details

     Peter Miles
     Northam, Western Australia
     QRZ Page: VK6YSF

 

     Email

     

 

       Social Media

             

 

    Buy me a coffee

If you found information on this site interesting, beneficial, or learned something new, please consider buying me a cup of coffee by clicking the coffee cup below. It helps keep the website going and is greatly appreciated.

 

 

 

YAMAHA RX-V550 TUNER-AMPLIFIER REPAIR

Yamaha RX-V550 tuner-amplifier repair. 29 October 2019.


 

There’s something deeply satisfying about rescuing a well-built piece of audio gear from silence. The Yamaha RX-V550 is one of those solid mid-2000s home theatre receivers that, when working, delivers great sound and reliability. But when this one landed on the bench, it was stone dead.

With no obvious signs of damage, blown fuses, no scorched marks or any bulging capacitors. Probing through the power board quickly showed there was no standby voltage. The main transformer was fine however the control circuits were getting no power. Somewhere between the mains input and the standby rail.

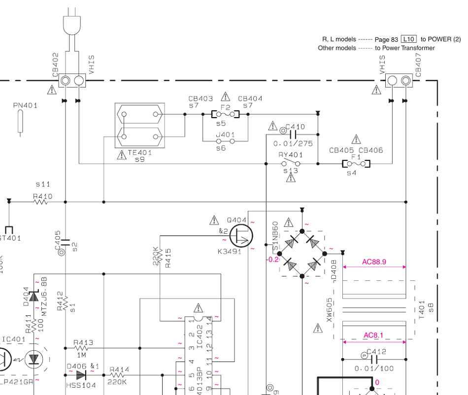
After researching common faults online, I learned that in the power supply section, the C405 capacitor - a 22 nF, 630 V polyester type is often the main culprit. I replaced it, and the receiver now powers on briefly: the display lights up for about two or three seconds before shutting down again.

This capacitor is part of the mains-sampling network, which helps the circuit detect when the incoming power is present and within specification. Over time, the original capacitor had drifted well out of tolerance, preventing the circuit from correctly sensing the AC mains. As a result, the receiver stayed in a permanent “off” state - a well-known issue with this particular model.

Figure 1. Circuit schematic 230VAC supply arrangement including the C405 22nF, 630V polyester capacitor 

 

Photo 1. Location of the C405 22 nF, 630 V polyester capacitor 

 

A divide-and-conquer approach was used to isolate the fault. First, both the left and right main amplifier channels were disconnected, and the receiver was powered on. This time, the main display stayed on, suggesting the problem was likely in one of the amplifier channels.

Next, each channel was tested individually by disconnecting one while leaving the other connected. In both cases, however, the amplifier remained on, regardless of whether the left or right channel was connected.

While probing the main amplifier board, I noticed unusual voltages around the power supply regulators. This drew my attention to the group of five voltage regulators. Each regulator was removed and tested individually, and for reasons I don’t fully understand three of them were found to be faulty.

All the faulty regulators were replaced and after the replacements, the amplifier powered up without any issues. Once connected to speakers and a signal source, it operated perfectly.

 

Figure 2. Circuit schematic of the main amplifier power supply regulators.

 

Photo 2. Main amplifier power supply regulators mounted to the heatsink.

    

The below components were identified as faulty and were replaced.

C405    22 nF, 630V polyester type capacitor

IC104   +12V regulator had failed producing a 1.2V output. 

IC302  -12V regulator had failed producing a 0.5V output. 

IC303  +5V regulator had failed producing a 1.1V output. 

 

Video of repairs including test.

 

Referances

RX-V550 Service manual rx-v550_repair_20191029_rx_v550_v450_ax_htr_5750_5740.pdf 

 

TOP OF PAGE

 

Page initiated 11 November, 2025

Page last revised 14 November, 2025

 

 

   Space Weather

   https://www.swpc.noaa.gov/

    

Artemis II - back to the Moon

   Notice Board

VK6YSF JS8Call and Olivia 8/250 operations.

Current activity is generally focused - though not restricted to - JS8Call operations on the 10m, 20m, 30m, and 40m bands.

Olivia 8/250 is used occasionally on the 20m band.

Proposed band and mode activity is often communicated on HamSpots: https://hamspots.net/js8/ or my profile on 

X: https://x.com/vk6ysf97230 .  

Feel free to contact me to discuss or arrange a schedule for a contact.

Post date: 27 January 2026

 

Western Australian SSTV net 

Popular Western Australian SSTV net for both digital and anolog SSTV.

Generally found at 7214.0kHz LSB every afternoon from 08:00 UTC (4:00pm WST)

For more details: https://www.wasstv.net/wasstv.net/index.html

Post date: 8 December 2025

 

VK6MJM LF (136kHz) and MF (474kHz) Beacon

VK6MJM is a  LF/MF station located in Manjimup, Western Australia.

Common Mode: FST4W 300 (Similar to WSPR)  

Note: other modes and sub-modes may be used.

Station details were presented by Peter Hall (VK6HP) at PerthTech 2024.Presentation PDF: Peter Hall VK6HP at PerthTech

QRZ Page: VK6MJM on QRZ.com

Post date: 10 March 2025

 

 

 

 

All content may be used for unlimited distribution with full credits.

Amateur Radio Station VK6YSF - Promoting amateur radio communication and experimentation.